公司简介公司荣誉组织机构企业形象制造优势产品展示销售网络信息反馈网上订购招聘信息联系我们
 
   友情链接:
  ◆亨得健身科技(上海)有限公司

麻小姐:
点击这里可即时交谈
钟小姐:
点击这里可即时交谈
马小姐:
点击这里可即时交谈
 
 
 
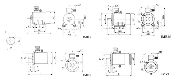
YB2系列隔爆型三相异步电动机
■安装结构型式

1、本系列电动机的安装方式符合GB997《电机结构安装型式代号》及IEC和DIN42673标准的规定。

2、本系列电动机有三种结构型式:

a:B3-机座带底脚,端盖无凸缘;

b:B5-机座不带底脚,端盖有凸缘;

c:B35-机座带底脚,端盖有凸缘。

3、本系列电动机在上述三种结构上,分别有12种安装结构型式:

电动机结构型式
B3
B5
B35
安装型式
B3
B6
B7
B8
V5
V6
B5
V1
V3
B35
V15
V36
示意图
机座号(中心高)
80-355
80-160
80-225
80-355
80-160
80-355
80-160
■外型安装尺寸图