公司简介公司荣誉组织机构企业形象制造优势产品展示销售网络信息反馈网上订购招聘信息联系我们
 
   友情链接:
  ◆亨得健身科技(上海)有限公司

麻小姐:
点击这里可即时交谈
钟小姐:
点击这里可即时交谈
马小姐:
点击这里可即时交谈
 
 
 
YBJYD系列隔爆型单相异步电动机
■概述

  YBJYD系列隔爆型单相异步电动机是我公司自主研制成功的全封闭自扇冷隔爆型单相异步电动机,具有效率高、起动转矩大、使用电压范围宽、噪声低、运行稳定、可靠性高等优点。电动机机壳为钢板壳,端盖为铝合金压制,并且所有电器元件全部安装在电机壳体内,具有结构紧凑、体积小便于安装、外形美观大方等优点。防爆性能符合GB3836.1-2010《爆炸性环境 第1部分:设备 通用要求》和GB3936.2-2010《爆炸性环境 第2部分:由隔爆外壳“d”保护的设备》的规定,分别制成ExdⅠMb、ExdⅡAt4 Gb、ExdⅡBT4 Gb,适用于煤矿井下(非采掘工作面)及工厂ⅡA、ⅡB级,温度组别T1~T4组可燃性气体或蒸汽与空气形成的爆炸性混合物的场所,作为源动力设备使用。

■使用条件
1.环境空气温度随季节而变化,但不超过40℃,环境空气温度最低为-15℃。 2.海拨不超过1000m。 3.最湿月月平均最高相对湿度为95%,同时该月月平均最低温度不高于25℃。 4.额定电压为220V,额定频率为50Hz、60Hz。 5.电动机的定额是以连续工作制(S1)为基准的连续定额,允许满电压启动。 6.电动机采用F级绝缘,定子绕组的温升(电阻法)按80K考核。 7.电动机防护等级为IP54; 电动机冷却方式为IC411;轴承温度(温度计法)不超过95℃。 8.电动机出线方式为直接引入电缆结构,采用YZW实芯引入电缆,电缆长度可根据用户需要预留。 9.可根据用户需要配装皮带轮。 10.电动机按下列额定功率制造:0.37kW、0.55kW、0.75kW、1.1kW、1.5kW、2.2kW。
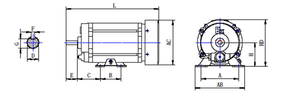
■安装尺寸
机座号 安装尺寸  
A B C D E F G H K AB AC HD L
基本尺寸 极限偏差 基本尺寸 极限偏差 基本尺寸 极限偏差 基本尺寸 极限偏差 基本尺寸 极限偏差 基本尺寸 极限偏差
96S 150 82 87.5 1.5 16

+0.008

-0.005

47 0.30 5

0

-0.05

13.5

0

-0.1

96

0

-0.5

10 198 185 192 355
96M 370
96L1 396
96L2 416
96L3 446