公司简介公司荣誉组织机构企业形象制造优势产品展示销售网络信息反馈网上订购招聘信息联系我们
 
   友情链接:
  ◆亨得健身科技(上海)有限公司

麻小姐:
点击这里可即时交谈
钟小姐:
点击这里可即时交谈
马小姐:
点击这里可即时交谈
 
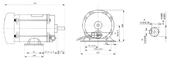
YBZ系列(YBZ961-4型)燃油加油机用隔爆型三相异步电动机
■YBZ系列说明

  YBZ961-4隔爆型三相异步电动机是为引进设备国产化配套,符合我国国情而专业设计制造的三相异步电动机。电动机主体外壳为无缝钢管结构,两端为铝合金制成,前端盖有180°旋转的出线装置,接线引入为浇注固化填密封式引入装置。它具有外形美观、造型新颖、噪音低、振动小的特点,功率为0.55kw、0.75kw两种。

■YBJZ961-4型安装及外形尺寸图
■使用条件
1 额定功率:0.12-3kw
2 额定电压:380V;
3 额定频率:50Hz;
4 绝缘等级:F级,温升按80K考核;
5 环境空气温度范围为:-15℃~40℃;
6 海拔高度:不超过1000m;
7 额定工作制:S1连续工作。、